Córas leictrealaíoch dí -asaithe
  • Córas leictrealaíoch dí -asaithe Córas leictrealaíoch dí -asaithe

Córas leictrealaíoch dí -asaithe

Mar cheann de na déantúsóir gairmiúil, ba mhaith le Epic córas leictrealaíoch dí -asaithe ardchaighdeáin a sholáthar duit. Agus tabharfaimid an tseirbhís iar-dhíolacháin agus seachadadh tráthúil duit.

Seol Fiosrúchán

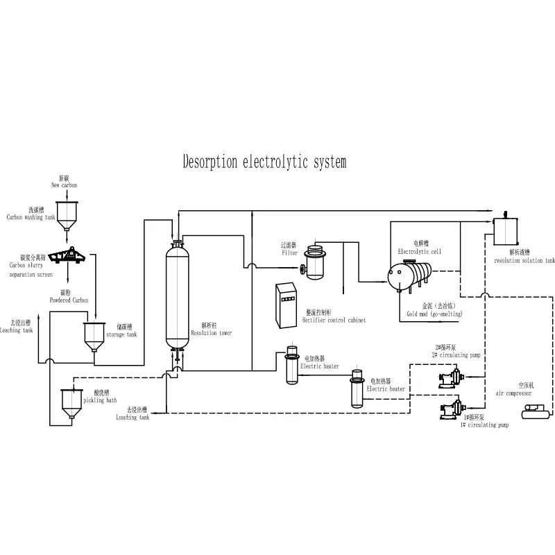
Cur síos ar an Táirge

A bheith ina mhonaróir líofa, tá sé mar aidhm ag EPIC córas leictrealaíoch dí-asaithe den scoth a thairiscint duit. Geallaímid an tacaíocht is fearr agus an seachadadh pras a thabhairt duit. Agus an córas dí-asaithe carbóin gníomhachtaithe de anion á chur leis, dá bhrí sin tuigeann an t-athsholáthar Au (CN) 2 "dí-asú óir.

1, teocht ard, brú ard, gan aon chiainíd, rialú uathoibríoch dí -asaithe, le heaspa ard, tomhaltas bogha, go tapa

Saintréithe: 

A.High Éifeachtúlacht: Nuair a shroicheann an grád carbóin luchtaithe órga 3000 g/t, is féidir leis an ráta dí-asaithe teacht ar níos mó ná 96%, agus is féidir an grád lag carbóin a athdhíriú faoi 3-4 huaire i gcomparáid leis an ngnáth-leictrilíteach dí-astaithe

Gléas:

B.Fast: Is féidir le teocht leictrealú dí-asaithe a bheith chomh hard le 150 ℃ (30-55 ℃ níos airde ná samhlacha eile) brú oibre suas go 0.5MPa (0.2-0.5MPA níos airde ná samhlacha eile), mar sin tá an t-am leictrealú dí-asaithe an-tapa, go ginearálta 12 h, a ghiorraíonn beagnach beagnach 

3 huaire: c.Low Tomhaltas: Tá an teocht leictrealaíoch dí-asaithe mar an gcéanna, gan aon aistriú teasa, mar gheall ar an obair thapa, mar sin is é an tomhaltas cumhachta iomlán ná 1/2-1/4 den ghnáthchóras.

2. Gan aon chiainíd: Ní gá tuaslagán dí -asaithe a chur leis an sóidiam ciainíd, costas íseal, gan aon truailliú:

3, láib óir ardghráid, ní gá leictrealú a aisiompú, eastóscadh éasca;

4, Rialú Uathoibríoch: Socraigh go speisialta an córas rialaithe leibhéal leachtach, an córas rialaithe teochta agus an córas rialaithe uathoibríoch;

5, Sábháilteacht: Le bearta cosanta sábháilteachta triple, eadhon an córas féin cliste, brú uathrialach meicníocht scaoilte brú, comhla sábháilteachta árachais.

Hot Tags: Córas leictrealaíoch dí -asaithe
Seol Fiosrúchán
Ná bíodh drogall ort d’fhiosrúchán a thabhairt san fhoirm thíos. Tabharfaimid freagra duit i 24 uair an chloig.
X
Úsáidimid fianáin chun eispéireas brabhsála níos fearr a thairiscint duit, chun anailís a dhéanamh ar thrácht an tsuímh agus chun inneachar a phearsantú. Trí úsáid a bhaint as an suíomh seo, aontaíonn tú lenár n-úsáid a bhaint as fianáin. Beartas Príobháideachta