Cad é Córas Leictrilíteach Dí-asú agus Cén Fáth A Bhfuil Riachtanach le hAghaidh Óir Nua-Aimseartha

2026-04-21 - Fág teachtaireacht dom

Tá anCóras Leictrilíteach Dí-asúteicneolaíocht ríthábhachtach in eastóscadh óir nua-aimseartha, go háirithe i bpróisis carbón-i-laíon (CIP) agus carbón-i-leathach (CIL). Déanann an blag seo iniúchadh ar an gcaoi a n-oibríonn an córas, a chomhpháirteanna, a bhuntáistí, agus cén fáth go bhfuil sé ina chaighdeán in aisghabháil éifeachtach ór. Cuirimid béim freisin ar conas is maith le cuideachtaíEPICag tiomáint nuálaíocht sa réimse seo. Faoi dheireadh, beidh tuiscint chuimsitheach agat ar conas a fheabhsaíonn an córas seo táirgiúlacht, a laghdaíonn costais, agus a fheabhsaíonn rátaí aisghabhála.

Desorption Electrolytic System

Clár na nÁbhar


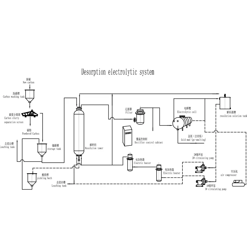
Cad is Córas Leictrilíteach Dí-asú ann

A Córas Leictrilíteach Dí-asúis ardchóras aisghabhála óir é a úsáidtear chun óir a bhaint as carbón gníomhachtaithe. Cuirtear i bhfeidhm go forleathan é in oibríochtaí mianadóireachta ina n-ionsúnaítear ór ar cháithníní carbóin le linn an phróisis láisteála.

  • Dí-asú: Baintear ór as carbón trí úsáid a bhaint as réitigh ardteochta agus ardbhrú
  • Leictrealú: Aisghabhann ór ón tuaslagán go catóidí
  • Córas lúb dúnta: Cinntíonn sé éifeachtúlacht agus caillteanas íosta

Tá an córas seo riachtanach chun éifeachtúlacht aisghabhála a fheabhsú agus chun costais oibriúcháin a laghdú, rud a fhágann go bhfuil sé ina chomhpháirt lárnach i monarchana próiseála óir nua-aimseartha.


Conas a Oibríonn Córas Leictrilíteach Dí-asú

Prionsabal oibre aCóras Leictrilíteach Dí-asúdhá phríomhchéim i gceist:

  1. Céim an díothaithe:Déileáiltear le carbón ór-luchtaithe le tuaslagán ciainíde alcaileach te, ag scaoileadh ions óir.
  2. Céim leictrealú:Téann an tuaslagán atá saibhir ó thaobh ór trí chill leictrealaíoch ina sileann an t-ór ar chatóidí olann chruach.

Cinntíonn an próiseas ardéifeachtúlachta agus ceadaíonn sé oibriú leanúnach, agus is é sin an fáth gur mhaith le córais ó chuideachtaíEPICGlactar go forleathan in iarratais thionsclaíocha.


Príomh-Chomhpháirteanna an Chórais

Comhpháirt Feidhm
Colún Dí-asú Coinníonn sé carbón gníomhachtaithe agus éascaíonn sé aistriú óir
Cill leictrealaíoch Aisghabhann óir trí leictrealú
Malartóir Teasa Coinníonn an teocht riachtanach
Córas Scagaire Baineann sé neamhíonachtaí as an réiteach
Córas Rialaithe Uathoibriú oibríochta agus monatóireacht a dhéanamh ar pharaiméadair

Tá ról ríthábhachtach ag gach comhpháirt lena chinntiú go n-oibríonn an córas go héifeachtach agus go comhsheasmhach.


Buntáistí agus Gnéithe Teicniúla

  • Ráta ard aisghabhála óir (suas le 98%)
  • Tomhaltas fuinnimh íseal
  • Oibriú uathoibrithe le haghaidh costais saothair laghdaithe
  • Dearadh dlúth le haghaidh éifeachtúlacht spáis
  • Neamhdhíobhálach don chomhshaol le hastaíochtaí íosta

Is maith le monaróiríEPICna córais seo a bharrfheabhsú go leanúnach chun freastal ar éilimh an tionscail atá ag athrú, ag cinntiú feidhmíocht agus iontaofacht níos fearr.


Feidhmchláir i bPróiseáil Óir

Tá anCóras Leictrilíteach Dí-asúúsáidtear go forleathan i:

  • Gléasraí mianadóireachta óir
  • Oibríochtaí CIP (Carbón-i-Laíon).
  • Próisis CIL (Carbón-i-Leach).
  • fuíll óir a ghnóthú

Mar gheall ar a sholúbthacht tá sé oiriúnach do mhianadóireacht thionsclaíoch ar scála mór agus d'oibríochtaí níos lú a lorgaíonn feabhsuithe éifeachtúlachta.


Comparáid le Modhanna Traidisiúnta

Gné Córas Leictrilíteach Dí-asú Modhanna Traidisiúnta
Éifeachtúlacht Ard Measartha
Uathoibriú Go hiomlán uathoibrithe Lámhleabhar nó leath-uathoibríoch
Costas Costas fadtéarmach níos ísle Costas oibriúcháin níos airde
Tionchar Timpeallachta Íseal Níos airde

Is léir go soláthraíonn an córas nua-aimseartha buntáistí suntasacha thar theicnící traidisiúnta aisghabhála óir.


Treoir Roghnúcháin do Cheannaitheoirí

Nuair a roghnaítear aCóras Leictrilíteach Dí-asú, breithnigh na fachtóirí seo a leanas:

  • Cumas próiseála
  • Leibhéal uathoibrithe
  • Éifeachtúlacht fuinnimh
  • Cáil an mhonaróra (m.sh., EPIC)
  • Tacaíocht iar-díolacháin

Má roghnaítear an córas ceart, áirithítear rath oibríochta fadtéarmach agus an toradh is fearr ar infheistíocht.


Cothabháil agus Leideanna Oibriúcháin

  • Déan iniúchadh rialta ar phíblínte agus comhlaí
  • Monatóireacht a dhéanamh ar leibhéil teochta agus brú
  • Glan cealla leictrealaíoch go tréimhsiúil
  • Athsholáthar comhpháirteanna caite go pras
  • Lean treoirlínte an mhonaróra go docht

Leathnaíonn cothabháil cheart go mór saolré an chórais agus cinntíonn sé feidhmíocht chomhsheasmhach.


CCanna

1. Cad é príomhchuspóir Córas Leictrilíteach Dí-asú?

Is é a phríomhchuspóir ná ór a bhaint agus a aisghabháil ó charbón gníomhachtaithe go héifeachtach.

2. Cé chomh héifeachtach is atá an córas?

Baineann formhór na gcóras ráta aisghabhála óir os cionn 95% amach, ag brath ar choinníollacha oibriúcháin.

3. An bhfuil an córas neamhdhíobhálach don chomhshaol?

Sea, tá córais nua-aimseartha deartha chun astuithe a laghdú agus dramhaíl cheimiceach a laghdú.

4. An féidir é a shaincheapadh?

Sea, cuireann cuideachtaí ar nós EPIC réitigh inoiriúnaithe ar fáil bunaithe ar riachtanais phróiseála.

5. Cad iad na tionscail a úsáideann an córas seo?

Go príomha sa tionscal mianadóireachta óir, ach freisin in iarratais aisghabhála miotail lómhara.


Conclúid

Tá anCóras Leictrilíteach Dí-asúis dul chun cinn é seo i dteicneolaíocht aisghabhála óir, ag tairiscint éifeachtúlachta, iontaofachta agus feidhmíochta comhshaoil ​​nach bhfuil aon mheaitseáil. Le dul chun cinn leanúnach ó cheannairí tionscail mhaithEPIC, tá an córas seo ag éirí níos riachtanach d'oibríochtaí mianadóireachta nua-aimseartha. Má tá tú ag iarraidh do phróiseas eastósctha óir a bharrfheabhsú agus brabúsacht a fheabhsú, is rogha cliste é infheistíocht a dhéanamh i gcóras ardcháilíochta.Déan teagmháil linninniu chun tuilleadh a fhoghlaim faoi conas is féidir linn réitigh oiriúnaithe a sholáthar do do chuid riachtanas.

Seol Fiosrúchán

X
Úsáidimid fianáin chun eispéireas brabhsála níos fearr a thairiscint duit, chun anailís a dhéanamh ar thrácht an tsuímh agus chun inneachar a phearsantú. Trí úsáid a bhaint as an suíomh seo, aontaíonn tú lenár n-úsáid a bhaint as fianáin. Beartas Príobháideachta